Türgriffbefestigung 8B54, Serie KS
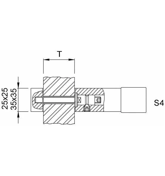
• Stückbefestigung S4 – M8 für Lochteil mit Vierkantstütze
• Für Glastüren
• Aluminium, Edelstahl-Effekt eloxiert
• Für Aluminium, Kunststoff- und Holztüren
| Eigenschaften | |
|---|---|
| Gewinde: | M 8 |
| Oberfläche: | eloxiert |
| Material: | Aluminium |
| Türwerkstoff: | Glas |
| Farbton: | silber |
| Einsatzbereich: | Objekttür |
| Befestigungsart: | einseitig durchgehend |
| Basis: | Stoßgriff-Befestigung |
| Ausführung: | M8 |













Rezensionen
Es gibt noch keine Rezensionen.